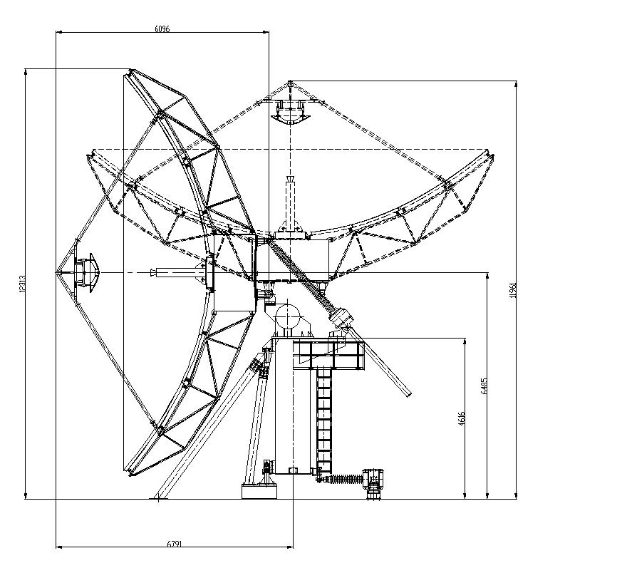
11.3m Earth Station Antenna




- DESCRIPTION
- TECHNICAL
- SPECIFICATIONS
The probecom 11.3m antenna delivers exceptional performance for transmit/receive and receive only applications for L through Ka-band frequencies. This antenna offers a reflector design that incorporates precision-formed panels, truss radials and hub assembly using matched tooling for interchangeable components. It features an innovative Cassegrain or Ring Focus feed and sub-reflector design which results in high gain, low noise temperature, high antenna efficiency and excellent rejection of noise and microwave interference. A large center hub provides spacious accommodation for equipment mounting. The reflector is supported by a galvanized elevation over azimuth kingpost pedestal that provides the required stiffness for pointing and tracking accuracy. The pedestals are designed for full orbital arc coverage and are readily adaptable to ground or rooftop installations.
Highlighted Features:
*Meets CCIR 580 and INTELSAT Requirements
*Precisely adjusted before leaving factory, and no need theodolite to adjust the panel accuracy;
*High precision alloy aluminum main reflector.
*Hot spray galvanized with white paint
*CP/LP switchable feed
*High RF performance
*Galvanized stainless steel hardware
*Different frequency ranges from many feed configurations
*Ka band antenna with rotary pedestal is available
*A large hub for install RF equipments
*Multi-layer anti-corrosion treatment.
Options
*L,S, X ,Ka bands and multi-bands
*Customer feed system design
*800MHz Extended C band is available
*Full motion antenna
*Feed blower or deicing sub-systerm with automatic controls
*Two or four Tx/Rx port in linear or circular polarized feeds
*Antenna control system with tracking
*ODU Support Kits
*Increase the surface spray zinc thickness along seaside.
Antenna Accessory
*Motorization Kits
*Limit Switches
*Factory Feed System Testing and Documentation
*Ocean /Air Transport Packing
*Foundation Kit
*Grounding Kit Cable-Mounting Kit
|
Electrical Specification |
|||||||||||||||
|
Type |
C113T |
EC113T |
IC113T |
K113T |
DBS113T |
||||||||||
|
Operating Frequency, GHz |
Standard C band |
Extended C band |
Insat C band |
Ku Band |
DBS Band |
||||||||||
|
Receive |
Transmit |
Receive |
Transmit |
Receive |
Transmit |
Receive |
Transmit |
Receive |
Transmit |
||||||
|
3.625~4.2 |
5.85~6.425 |
3.4~4.2 |
5.85~6.725 |
4.5~4.8 |
6.725~7.025 |
10.70~12.75 |
13.75~14.5 |
10.70~12.75 |
17.3-18.4 |
||||||
|
Typical Gain, Mid-band, dBi |
51.4 |
55.3 |
51.2 |
55.5 |
52.9 |
54.3 |
60.6 |
62.2 |
60.6 |
64.1 |
|||||
|
Polarization |
Linear/circular |
Linear/circular |
Linear/circular |
Linear |
linear |
||||||||||
|
XPD(on Axis), dB( Linear) |
35 |
35 |
35 |
35 |
35 |
35 |
35 |
35 |
35 |
35 |
|||||
|
XPD across 1dB Beam Width, dB( Linear) |
30 |
30 |
30 |
30 |
30 |
30 |
30 |
30 |
30 |
30 |
|||||
|
Axis Ratio, dB (circular) |
0.5 |
0.5 |
0.5 |
0.5 |
0.5 |
0.5 |
/ |
/ |
/ |
/ |
|||||
|
VSWR |
1.25 |
1.25 |
1.30 |
1.30 |
1.25 |
1.25 |
1.30 |
1.30 |
1.30 |
1.30 |
|||||
|
Antenna Noise Temperature (4 Port Feed) 10° Elevation 30° Elevation 50° Elevation |
46K 39K 36K |
|
48K 42K 39K |
|
49K 42K 40K |
|
|
||||||||










