Ka Band 2-Port Diplexer (Circular Pol)

- DESCRIPTION
- TECHNICAL
- SPECIFICATIONS
|
MODEL |
PR-DKATCP2C |
|
|
|
TWO-PORT |
|
|
Operating Frequency, GHz |
RX |
TX |
|
|
19.2-21.2 |
29.0-31.0 |
|
Polarization |
Circular |
Circular |
|
VSWR |
1.20:1 |
1.20:1 |
|
Axial Ratio |
1.1:1 |
0.7:1 |
|
Insertion Loss, dB |
≤0.25dB |
≤0.20dB |
|
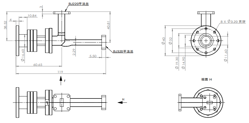
Interface |
BJ220 |
BJ320 |
|
Isolation, Tx to Rx, dB |
≥85dB |
|
|
Standard and Option |
|
|
|
Pressurization |
No or Customized |
|
|
Material |
Aluminum Casting or Customized |
|
|
Exterior |
White paint or Customized |
|










