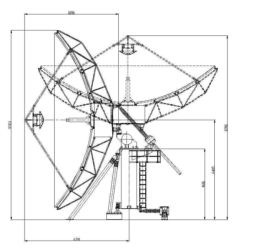
11m Receive Only Antenna




- DESCRIPTION
- TECHNICAL
- SPECIFICATIONS
Probecom can supply Satellite 11m receive only antenna meet data receive and TV requirement.Probecom RXO antenna is made of high accuracy stretch-formed aluminum panel with stable structure.
The Receive only antenna systems with satisfactory performance of high gain, low side lobe and reliable operation,easy to operate and maintenance.
Probecom also have the capability of customize even large-sized antenna, such as the 11M,13M,16M Receive Only Antennas.
Customized 11M Receive Only Antenna Highlights:
● Combination of Rx.Only antennas, circular/linear polariztion switchable.
● Customize types of antenna receive port amount.
● Kingpost pedestal and Rotation pedestal as option.
Detailed 11M Receive Only Antenna Description:
● High Accuracy Stretch-formed Aluminum Panel
● Meet data receive and TV receive requirement
● C-band, ku-band, ka-band,S-band,L-band frequency as option
● Linear or Circular Polarized feed system as option;
● Single/Dual Polarization as option
● Manual/Motorized as option
● High Erosion Resistance
● Assembled and tested feed system before leaving factory;
● Survival Wind Speed125mph










